2. BASIC COMPONENTS. Coarse mineral components.

 

Iron Compounds

 

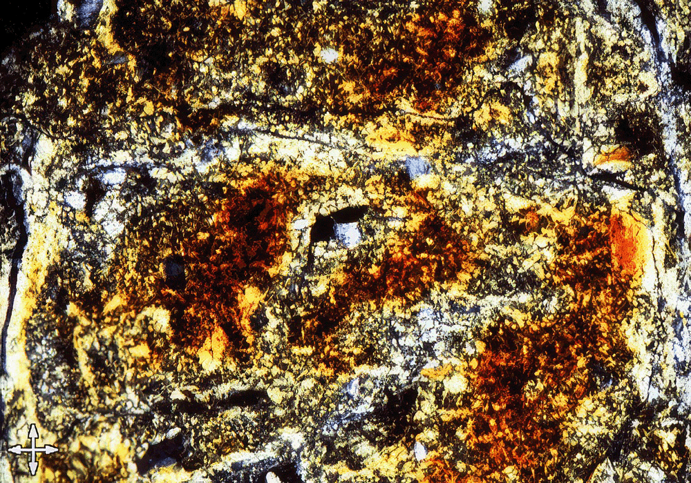
In soils, they are commonly hematite and goethite. Hematite has a strong red color (sometimes it looks black) and goethite is yellow. Usually, the grains are constituted by a mass formed by cryptocrystalline crystals.

 

Contents | Mineral components | Coarse | Previous | Next | Top