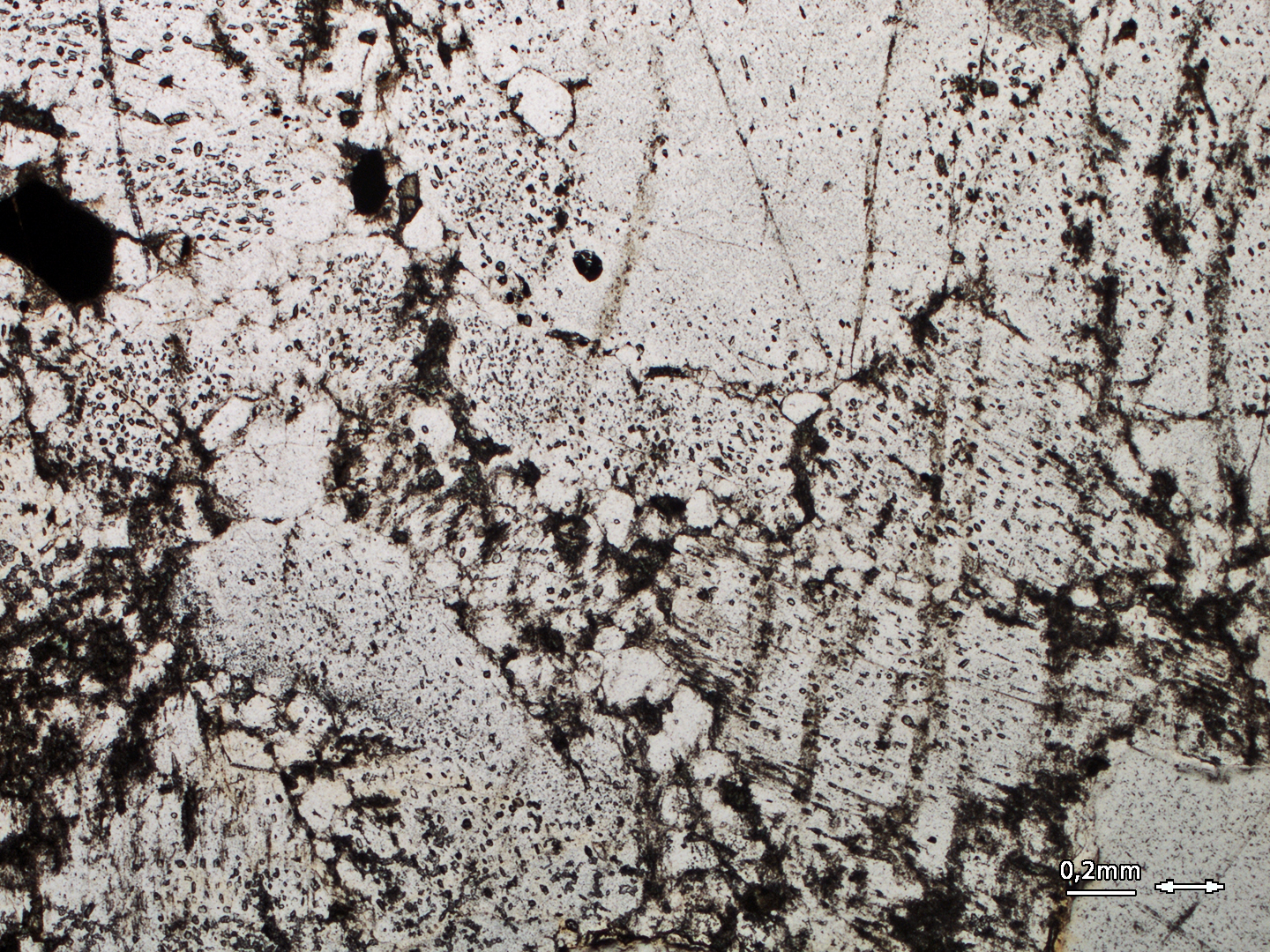
Anortosita

Cuarzo <5%. Con más cuarzo cuarzo monzonita.

Feldespato potásico <10% frente a las plagioclasas. Con mas, monzonita.

Plagioclasas cálcicas (anortita) >90% frente a los feldespatos potásicos. Con menos, monzonita.

Clasificación QAPF

 

_____________________________________________________________

 

Anortosita. Esenciales: plagioclasa (anortita) y hornblenda. Accesorios: augita, magnetita, biotita, apatito y clorita.

1
1
2
2
3
3
4
4
5
5
6
6
7
7
8
8

 

 

____________________

 

 

 

 

 

Indice de rocas | Anterior | Siguiente