Tonalitas

Cuarzo 20-60%. Con más cuarzo el granito rico en cuarzo. Con menos cuarzo, cuarzo diorita, cuarzo gabro y cuarzo anortosita; con menos aún (<5%), diorita, gabro y anortosita.

Feldespato potásico <10% frente a las plagioclasas. Con más feldespato potásico, granodiorita.

Plagioclasas sódicas >90% frente a los feldespatos potásicos. Con menos granodiorita.

Clasificación QAPF

_______________________________________________________

 

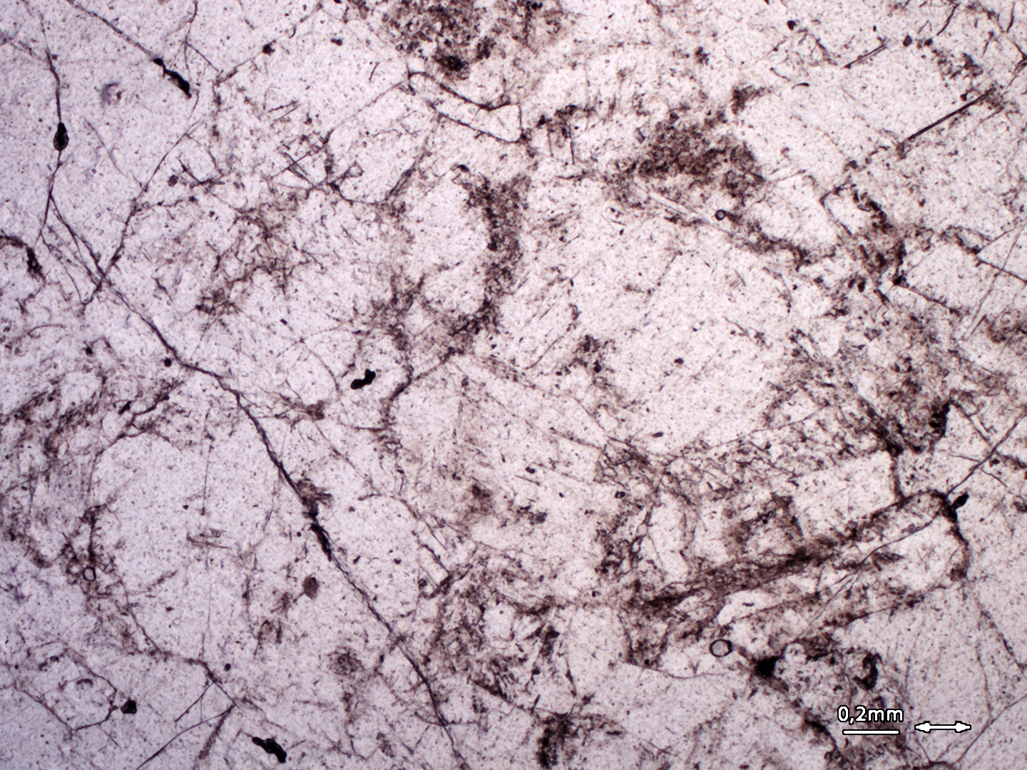
Tonalita. Esenciales: cuarzo, plagioclasa sódica, ortoclasa, hornblenda y biotita. Accesorios: clorita, apatito y magnetita.

1
1
2
2
3
3
4
4
5
5
6
6
7
7

 

 

Indice de rocas | Anterior | Siguiente