3. Groundmass

Related distribution

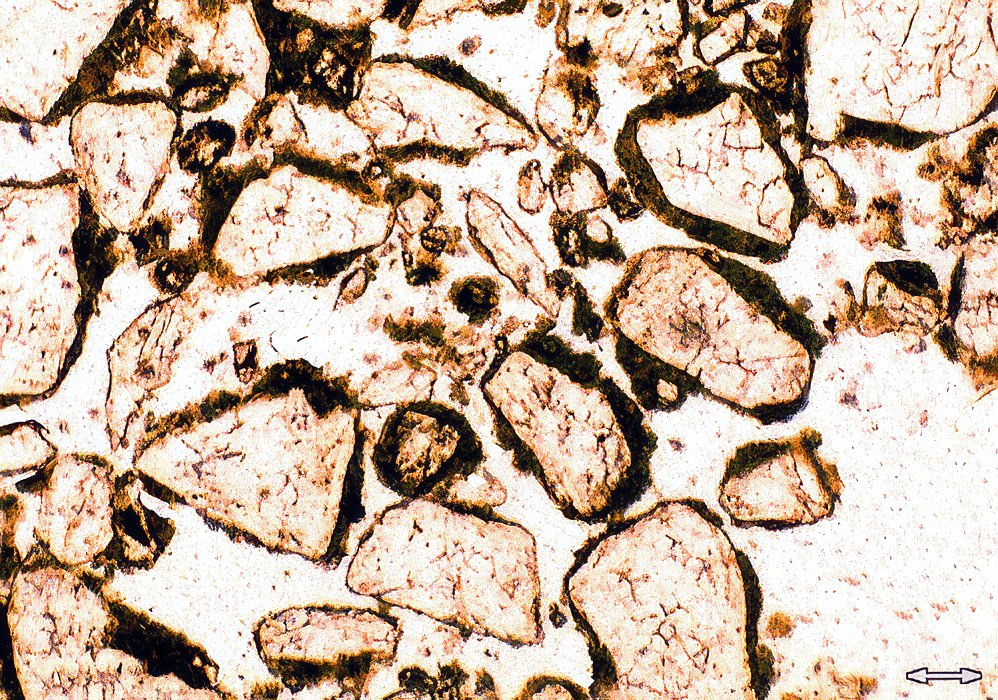
Chitonic

 

The large fabric units are surrounded by a covering of smaller units

 

Key to c/f distributions

 

Home page | Contents | Groundmass | c/f distributions | Previous | Next | Top